نقشه رولیک پایین بیل مکانیکی کوماتسو PC400
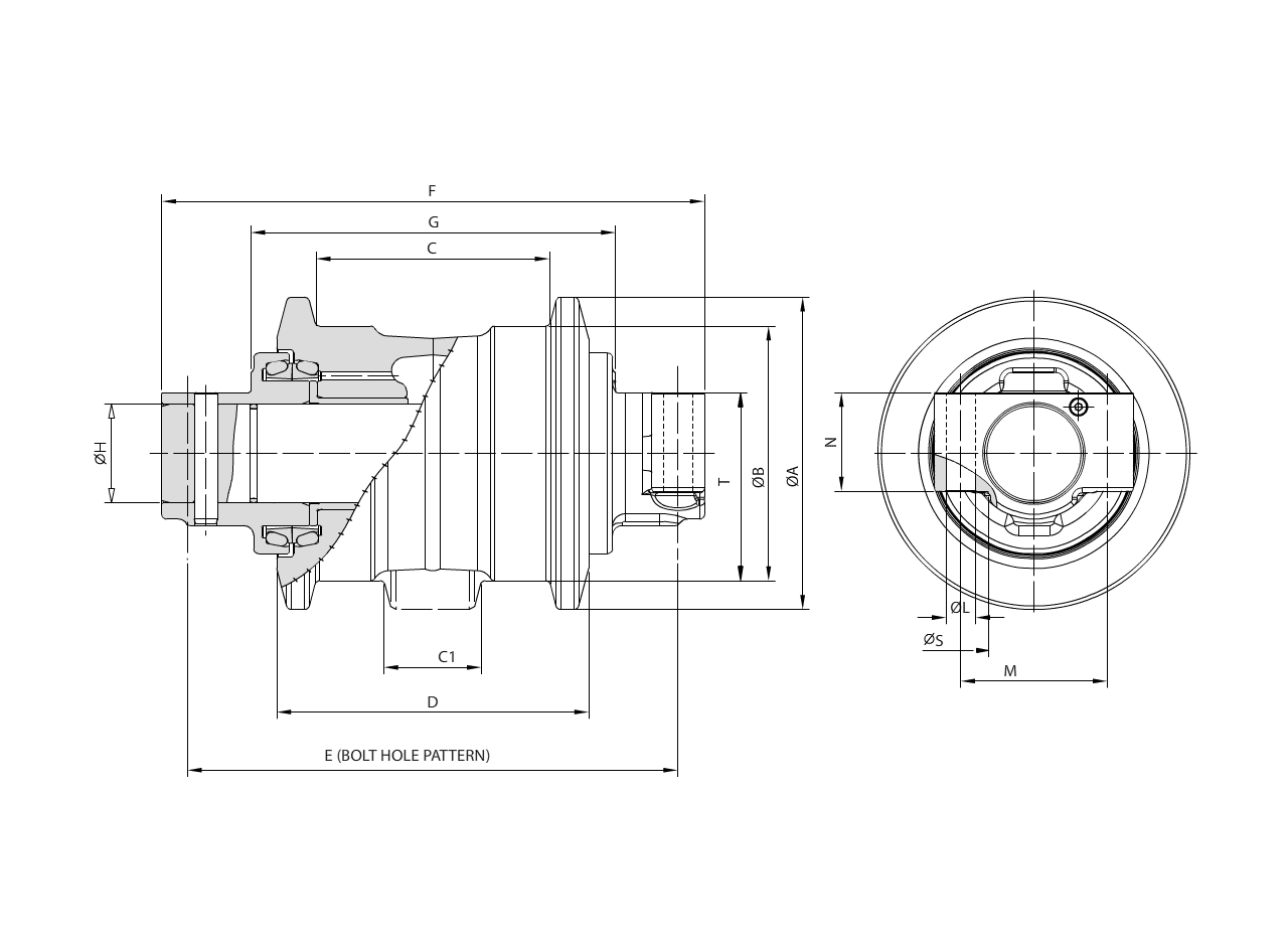
Details
|
øA
240
|
øB
200
|
C
209
|
D
278
|
|
E
366
|
F
430
|
G
291
|
øH
80
|
|
øH1
|
øL
23,5
|
M
136
|
N
80
|
|
ØA1
|
C1
|
T
149
|

رولیک پایین بیل مکانیکی کوماتسو Pc400 با کدامیک از ماشین آلات راهسازی و معدنی سازگار است؟
KOMATSU
| PC300HD 3 | PC300HD 5 | PC360LC 1 | PC360LC 3 |
| PC360LC 5 | PC380LC 6 | PC400 1 | PC400 3 |
| PC400 5 12244 UP | PC400 6 | PC400 7 40001 UP | PC400 8 |
| PC400 LC8 | PC400HD 5 | PC400LC 1 10124 UP | PC400LC 3 11001-12243 |
| PC400LC 3 12244 UP | PC400LC 5 20001 UP | PC400LC 6 30001 UP | PC400LC 7 40001 UP |
| PC450 6 10001 UP | PC450 7 40001 UP | PC450LC 6 10001 UP |
CROSS REFERENCE (Original codes)
| BERCO | KM1743 |
| ITM | A4040000M00 |
| KOMATSU | 208-20-0022 |
| KOMATSU | 208-20-0031A |
| KOMATSU | 208-30-00021 |
| KOMATSU | 208-30-00022 |
| KOMATSU | 208-30-00210 |
| KOMATSU | 208-30-00230 |
| KOMATSU | 208-30-00231 |
| KOMATSU | 208-30-00310 |
| VPI | VKM1743V |


نقد و بررسیها
هیچ دیدگاهی برای این محصول نوشته نشده است.